Català
Español
Company
Products
Lubrication
Hydraulics
Pneumatics
Cylinders
Filtration
Press Controls
Specialty
Accessories
New Products
Offers
Location
Distributors
Employment
Centralized Lubrication Systems, Hydraulics and Pneumatics
Back
Volumetric
Resistance
Grease Systems
Oil Air Lubrication
Spray Mist
Fittings & Acc.
SHOWA JUNCTION HEAD
Model
Type
Tube
L
L1
T
Ø A
Ø D
t
JD102
Ø 4
27
14.3
M8 x 1
13
7.2
6.3
JD103
Ø 4
27
14.3
M8 x 1
13
7.2
6.3
* Material: Die-Cast Zinc ZDC2
Model
Type
Tube
Ø A1
Ø A2
L1
L2
T1
T2
JHD302
Ø 4
15
13
21.5
15
Rc 1/8
M8 x 1
* Material: Die-Cast Zinc ZDC2
Model
Type
Tube
Ø A1
Ø A2
L1
L2
T1
T2
T3
JHD4
Ø 4
15
13
30
15
Rc 1/8
M8 x 1
M8 x 1
JHD401
Ø 4
15
13
30
15
M8 x 1
M8 x 1
Rc 1/8
* Material: Die-Cast Zinc ZDC2
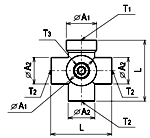
Model
Type
Tube
Ø A1
Ø A2
L
T1
T2
T3
JHD5
Ø 4
15
13
30
M8 x 1
M8 x 1
Rc 1/8
JHD501
Ø 4
15
13
30
Rc 1/8
M8 x 1
M8 x 1
* Material: Die-Cast Zinc ZDC2
c/ Pereda, 28 Pol. Ind. Monsolís 08930 San
t Adrià del Besòs (Sp
ain)
Phone 00 34 934 62 13 00
Fax 00 34 934 62 24 75 email
neubor@neubor.com
Copyright © 1998 - 2009 Neubor, s.l. All rights reserved.